Соединительные детали трубопроводов.
01 июля 2024
Что такое детали трубопроводов?
Детали трубопроводов - это соединительные детали, используемые при строительстве трубопровода различного назначения, применяемые при изменении диаметров трубы, поворотах, изгибах, наклонах, отводах, а также временном неиспользовании трубопровода.
Соединительные детали трубопровода изготавливаются и используются для широкого спектра применений в различных отраслях промышленности: нефтегазовая промышленность, энергетическая отрасль, химическая, строительство, жилищно-коммунальные сферы.
СДТ применяют на трубопроводах для транспортировки рабочих сред: воды, природный газ, газ с различными примесями, агрессивные химические среды, нефть, продукты нефтепереработки и другие.
ООО «Арматурный Металло Завод» производит и поставляет следующие детали трубопроводов:
Стальные крутоизогнутые отводы производства ООО «АТМЗ»:
- Отводы ГОСТ 17375-2001
- Отводы ГОСТ 30753-2001
- Отводы 1 (первого) исполнения, 2 (второго) исполнения
- Отводы 180 градусов (калачи) .
Также стальные приварные отводы 15, 30, 45, 60, 90 градусов.
Производим из Сталь 20 ; Сталь 09Г2С ; Сталь 13ХФА ; Сталь 12Х18Н10Т ; Сталь 15Х5М ; Сталь 12Х1МФ и других.


Также поставляем по следующим нормативным документам:
- Отводы гнутые: ГОСТ 22793-83; ГОСТ 51-515-83; ТУ 102-488-95,
- Отводы сварные: ОСТ 34.10.752-97; ОСТ 36-21-77
- Отводы ОСТ и СТО: ОСТ 34.10.699-97; ОСТ 34.10.418-90; ОСТ 34.10.419-90; СТО 95-130-2013; ОСТ 34.10.750-97; ОСТ 34.10.420-90; СТО 79814898-113-2009; СТО 79814898-111-2009; СТО 95-115-2013; СТО 79814898-112-2009
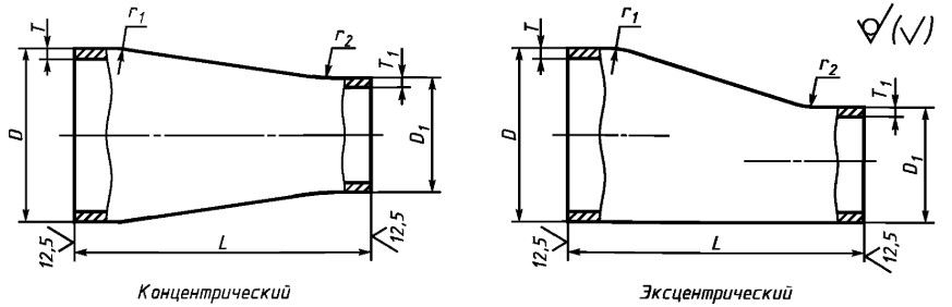
Переходы
Переходы - детали, используемые для плавного изменения меньшего(большего) диаметра трубопровода.
Виды:
- Переходы штампованные Концентрические и Эксцентрические 1 и 2 исполнения: ГОСТ 17378-2001
- Переходы сварные, ПШС: ОСТ 34 10.753-90 ; ОСТ 36-22-81; ОСТ 36-22-81; ОСТ 36-22-81; ОСТ 36-22-81; ОСТ 36-22-81; ОСТ 36-22-81.

Тройники
Тройники - детали, используемые для присоединения к магистральному трубопроводу боковых ответвлений.
Виды:
- Тройники бесшовные штампованные 1 и 2 исполнения: ГОСТ 17376-2001
- Тройники сварные: ОСТ 36-21-77; ОСТ 34 10.764-97
- Тройники штампосварные: ТУ 102-488-95; ТУ 1469-014-01395041; ТУ 1469-014-01395041-2003
- Тройники ОСТ и СТО: ОСТ 34.10.510-90; СТО 79814898-124-2009; ОСТ 34.10.511-90; СТО 79814898-125- 2009; ОСТ 34.10.764-97; ОСТ 34.10.762-97; ОСТ 34.10.433-90; СТО 79814898-120-2009; СТО 79814898-121-2009; СТО 95-125-2013; СТО 95-126-2013; СТО 95-127-2013.

Заглушки
Заглушки -детали, используемые для закрывания концевых отверстий в трубопроводах.

Поставляем:
- Заглушки 1 и 2 исполнения: ГОСТ 17379-2001
- Стальные Днища эллиптические ГОСТ 6533-78
Температура рабочей среды деталей трубопровода: от -70 до +450 °С, в зависимости от марки стали и требований Заказчика.
Изготавливаем и поставляем детали трубопровода: Первого исполнения диаметром от 21,3мм и более, Второго исполнения от 25мм и более, толщиной стенки от 2 до 42мм.
ООО «Арматурный Металло Завод» производит детали трубопровода из следующих марок стали: Сталь 20 ; Сталь 09Г2С ; Сталь 13ХФА ; Сталь 12Х18Н10Т ; Сталь 15Х5М ; Сталь 12Х1МФ и других.
ТУ ООО «АТМЗ»: ТУ 1468-001-45686130-2020
Основные параметры: размеры, допуски, отклонения, коэффициенты деталей трубопровода регламентируются ГОСТ 17380-2001.
Доставка отводов по России:
Продукцию бесплатно отвозим до терминалов транспортных компаний: Деловые Линии, ТК КИТ( Кашалот) , Байкал-сервис и другими по согласованию с заказчиком. Оформляем доставку соединительных деталей трубопроводов в отдельные города: Москва, Самара, Санкт-Петербург, Казань, Челябинск, Уфа, Ростов-на-Дону, Омск, Пермь, Волгоград, Воронеж, Краснодар, Саратов, Тюмень, Тольятти, Ижевск, Барнаул, Ульяновск, Иркутск, Хабаровск, Ярославль, Владивосток, Махачкала, Томск, Новосибирск, Екатеринбург, Красноярск, Кемерово, Новокузнецк, Норильск, Рязань, Астрахань, Югра, Набережные Челны, Пенза, Киров, Чебоксары, Тула, Калининград, Балашиха, Курск, Усинск, Улан-Удэ, Ставрополь, Сочи, Тверь, Магнитогорск, Чита, Симферополь, Калуга, Смоленск, Волжский, Саранск, Курган, Череповец, Орёл, Вологда, Якутск, Владикавказ, Пятигорск, Подольск, Павлово, Грозный, Мурманск, Тамбов, Стерлитамак, Петрозаводск, Кострома, Нижневартовск и другие.
Чтобы оформить заказ на детали трубопровода достаточно написать на электронную почту atmz@atmz.ru , либо позвонить по номеру телефона +7 (343) 384-56-19 .